JBCS



1:50, dom dez 7

Acesso Aberto/TP



Revisão


Materiais vítreos e luz: parte 1
Glassy materials and light: part 1

Marcelo NalinI,*; Sidney J. L. RibeiroI; Danilo ManzaniI; Rogéria Rocha GonçalvesII; Gael PoirierIII; Fabia Castro CassangesIII; Christiano J. S. de MatosIV; Cleber R. MendonçaV; Leonardo de BoniV; Lino MisogutiV; Oscar MaltaVI; Yannick LedemiVII; Sandra MessaddeqVII; Younes MessaddeqVII

IInstituto de Química, Universidade Estadual Paulista, CP 355, 14800-060 Araraquara - SP, Brasil
IIDepartamento de Química, Faculdade de Filosofia Ciências e Letras de Ribeirão Preto, Universidade de São Paulo, 14040-901 Ribeirão Preto - SP, Brasil
IIIInstituto de Ciência e Tecnologia, Universidade Federal de Alfenas, Campus de Poços de Caldas, 37715-400 Poços de Caldas - MG, Brasil
IVUniversidade Presbiteriana Mackenzie, 01302-907 São Paulo - SP, Brasil
VInstituto de Física de São Carlos, Universidade de São Paulo, 13566-590 São Carlos - SP, Brasil
VIDepartamento de Química, Universidade Federal de Pernambuco, 50740-560 Recife - PE, Brasil
VIICenter for Optics Photonics and Laser, Université Laval, Quebec, Canadá

Recebido em 03/06/2015
Aceito em 25/11/2015
Publicado na web em 05/02/2016

Endereço para correspondência

*e-mail: mnalin@iq.unesp.br

RESUMO

2015 is the Year of Light, according to UNESCO. Chemistry has a close relationship with light and one of the materials that allows such synergy is glass. Depending on the chemical composition of the glass, it is possible to achieve technological applications for the whole range of wavelengths extending from the region of the microwave to gamma rays. This diversity of applications opens a large range of research where chemistry, as a central science, overlaps the fields of physics, engineering, medicine, etc., generating a huge amount of knowledge and technological products used for humanity. This review article aimed at discussing some families of glasses, illustrating some applications. Due to the extension of the theme, and all points raised, we thought it would be good to divide the article into two parts. In the first part we focus on the properties of heavy metal oxide glasses, fluoride glasses and chalcogenide glasses. In the second part we emphasize the properties of glassy thin films prepared by sol-gel methodology and some applications, of both glasses as the films in photonics, and more attention was given to the nonlinear properties and uses of photonic fibers.

Palavras-chave: glasses; light; photonics.

INTRODUÇÃO

Você já parou para pensar como seria seu dia sem luz? Na verdade isso seria impossível em nosso planeta, pois toda a vida na Terra depende, direta ou indiretamente, dos raios do sol. A interação luz-matéria gera uma imensa quantidade de fenômenos que são utilizados no nosso dia a dia, sem que nos demos conta disso. O ano de 2015 foi escolhido pela UNESCO1 como "Ano Internacional da Luz e Tecnologias à base de Luz" e, por essa razão, diversos eventos culturais e científicos serão celebrados ao redor do mundo durante todo o ano.

A ciência que permite gerar, detectar, transmitir, modular e amplificar a luz é chamada de Fotônica. A relação entre química e fotônica é bastante estreita e do resultado desta sinergia surge um amplo espectro de aplicações. Dentre os materiais que permitem essa sinergia podemos destacar os vidros.

Por definição, vidros são materiais não cristalinos que apresentam o fenômeno de transição vítrea e podem ser preparados a partir de compostos inorgânicos, orgânicos ou metálicos, independente da metodologia utilizada para sua preparação. De uma forma geral, praticamente todos os elementos da tabela periódica podem ser usados para preparar materiais vítreos.2,3 Por definição, o fenômeno de transição vítrea é definido como a passagem do estado sólido para um estado termodinamicamente instável, chamado de estado visco-elástico ou estado super-resfriado,2 que, em outras palavras, é a temperatura na qual o vidro começa a amolecer sob aquecimento (ou enrijecer sob resfriamento). Esta talvez seja a mais importante das propriedades dos vidros, pois permite que sejam moldados em qualquer formato e em diferentes temperaturas (dependendo da composição), permitindo aplicações distintas e bem definidas. Na fotônica, os vidros se destacam devido à versatilidade intrínseca de suas propriedades ópticas e estruturais. Manipulando-se a composição química desses materiais, consegue-se obter vidros que interagem com amplo espectro de radiação eletromagnética, desde as micro-ondas até raios γ. A proposta deste artigo é relacionar a natureza química das diversas famílias de vidros com aplicações fotônicas em diferentes comprimentos de onda. A Figura 1 ilustra os espectros de transmitância de diferentes famílias de vidros. A "janela de transparência" de um dado material é determinada do lado de maior energia pelas transições eletrônicas a partir da banda de valência para a banda de condução (Borda de Urbach). Do lado de menor energia, a absorção é limitada pelos modos vibracionais presentes no material. Os harmônicos dos modos de vibração definem a região de corte, a chamada borda de absorção multifônon da Física do Estado Sólido. Essas duas regiões de absorção, eletrônica e vibracional, delimitam a região de transparência dos vidros, e dependem diretamente da composição química desses materiais, podendo, portanto, ser sintonizadas.

 


Figura 1. Regiões de transparência de diversas famílias de vidros desde a região do ultravioleta e visível, até a região do infravermelho, com imagens das diversas aplicações

 

Neste sentido, é possível observar que cada região possui uma gama de aplicações específicas. Neste trabalho nos limitaremos à descrição de algumas famílias de vidros, as quais são extensivamente aplicadas dentro da fotônica. No entanto, muitas outras podem ser encontradas na literatura e também empregadas para a preparação de materiais fotônicos com aplicações mais específicas.

Dessa maneira este artigo está dividido em duas partes. A primeira parte será dedicada a descrição de alguns conceitos e aplicações sobre vidros óxidos de metais pesados (VOMP), vidros fluoretos e vidros calcogenetos. A segunda parte será focada principalmente nas propriedades fundamentais de filmes finos vítreos, e algumas aplicações em óptica não linear e fibras fotônicas. Acreditamos que dessa maneira o leitor conseguirá relacionar melhor a composição química dos vidros com seus potenciais tipos de aplicações.

Vidros óxidos de metais pesados (VOMP)

Aplicações como termometria, pirografia, sensoriamento remoto e dispositivos militares requerem vidros que possuam transparência na região do infravermelho. Três diferentes classes de vidros podem contemplar esta exigência: vidros óxidos de metais pesados, vidros fluoretos de metais pesados e vidros calcogenetos.

Vidros óxidos de metais pesados podem ser definidos como vidros que possuam em sua composição mais de 50% em mol de cátions, introduzidos geralmente na forma de óxidos, tais como, Bi2O3, Sb2O3, PbO, TeO2, etc, que possuem elevada massa atômica e baixas energias de ligação metal-oxigênio. Dessa maneira, considerando a equação simplificada que determina a frequência de vibração na região do infravermelho , em que ν é a frequência vibracional, kf é a constante elástica e m é a massa reduzida dos átomos dada por , na qual mc é a massa do cátion e mo a massa do oxigênio, notamos que quanto maior a massa do cátion menor será a frequência de vibração e, como consequência, maior será a transparência na região do infravermelho. Entretanto, devemos considerar que, normalmente, sistemas vítreos óxidos são formados por multicomponentes e, portanto, o óxido de menor massa, mesmo que em quantidades baixas, irá limitar a transparência.

VOMP podem apresentar transparência na região do infravermelho de até 10 mm e índices de refração (n) podendo atingir elevados valores como 2,4.2 Muitas aplicações fotônicas, tais como limitadores e chaveadores ópticos, dispositivos totalmente ópticos, etc necessitam de vidros com altos valores de índice de refração. De uma forma geral, entende-se como alto índice de refração os vidros com n> 2,0 e, como comparação, o índice de refração da sílica é de 1,45 (em 632,8 nm), material extensivamente utilizado em dispositivos e comunicação óptica. O aumento do índice de refração também está relacionado com a presença de átomos grandes e volumosos, e/ou átomos com pares de elétrons isolados, que possuem alta polarizabilidade eletrônica. Outro fator importante que pode aumentar o valor do índice de refração é a presença de cátions pequenos, porém, com carga elevada, tal como o Ti4+, que possui um alto poder polarizante. Assim, a combinação dessas características leva a obtenção de vidros com índices de refração ainda mais elevados.

Dessa forma, a combinação de baixas energias de fônons com altos índices de refração abre um leque de aplicações desses materiais bastante interessante, que compreende a preparação de vidros foto-termo-refrativos (PTR) utilizados em aplicações militares e dispositivos como grades de difração e na fabricação de lasers.

Do outro lado do espectro eletromagnético, a energia da banda proibida dos vidros óxidos de metais pesados é da ordem de 350 até 550 nm, dependendo da composição química do vidro. Consequentemente, estes vidros podem ser incolores (absorções somente na região do ultravioleta) ou coloridos (quando a borda de absorção ou uma banda de absorção está na região do visível). Isto pode ser usado para aplicações bastante interessantes, como, por exemplo, na preparação de filtros ópticos utilizados em espectrômetros ou também para a preparação de vidros fotossensíveis.

Fotossensibilidade em vidros óxidos

De maneira geral, vidros são ditos fotossensíveis quando apresentam variação de alguma propriedade após exposição à radiação eletromagnética de qualquer comprimento de onda. Assim, a fotossensibilidade em vidros pode ocorrer sob irradiação de raios gama, raios X, ultravioleta, visível e infravermelho. Essas variações em uma ou diversas propriedades do material vítreo após irradiação são relacionadas com mudanças na estrutura interna do material que podem ser de ordem estrutural ou eletrônica e são classificadas de acordo com o tipo de mudança na propriedade observada: modificações na natureza das ligações químicas, como natureza dos átomos envolvidos, distância ou ângulos de ligações que podem, por exemplo, levar a variações de propriedades como aumento (fotocontração) ou diminuição da densidade do material (fotoexpansão), reorganização da posição atômica relativa a longo alcance (fotocristalização) ou, ao contrário, perda de periodicidade da rede atômica (fotoamorfização). Esses fenômenos são observados, principalmente, em vidros calcogenetos (à base de S, Se ou Te) e são, por exemplo, utilizados na gravação de dados em CD e DVD regraváveis e serão discutidos mais adiante no texto. Os fenômenos fotossensíveis relacionados com mudanças de comportamento óptico, como a cor, absorção óptica ou índice de refração são os mais comuns e amplamente reportados na literatura. Vidros apresentando mudanças de coloração irreversíveis sob irradiação eletromagnética foram primeiramente classificados como fotossensíveis, uma vez que esses foram os primeiros fenômenos de sensibilidade à luz descobertos em materiais vítreos.4 Hoje, o fenômeno é denominado de fotocromismo se o processo de coloração for reversível. Os vidros que apresentam variação de índice de refração sob irradiação são chamados de vidros fotorrefrativos ou fototermorrefrativos se a variação de índice de refração necessitar de tratamento térmico após a etapa de irradiação. A variação da transparência devido às mudanças da energia da banda proibida (do inglês, bandgap) do material são conhecidas como fotoclareamento (photobleaching) quando levam ao aumento da energia de bandgap e fotoescurecimento (photodarkening) quando levam à diminuição da energia de bandgap.

Em vidros óxidos, o primeiro relato de vidros fotossensíveis foi reportado em 1 de Junho 1947 pela empresa americana Corning Glass Works. A invenção foi atribuída a Stanley Donald Stookey, embora duas patentes tenham sido depositadas, simultaneamente, em 1947, sendo uma por S. D. Stookey e a outra por William Houston Armistead, ambos da empresa Corning Glass Works sobre o tema "photosensitive glass".4,5 Esse primeiro vidro fotossensível foi descrito como sendo um vidro silicato contendo pequena quantidade de sal de ouro, chamado de sensibilizador e agente redutor, podendo ser um sal de Sn2+, Sb3+ ou Ce3+. O processo descrito era baseado na irradiação de um volume específico do vidro por irradiação de alta energia, podendo ser ultravioleta ou raios X, seguido de tratamento térmico do material vítreo em temperatura acima da temperatura de transição vítrea, a mudança de cor observada ocorrendo apenas no volume do vidro previamente iluminado. Entre 1947 e 1950, S. D. Stookey publicou e patenteou diversos trabalhos relatando a possibilidade de obtenção de vidros fotossensíveis utilizando sais de prata e cobre como sensibilizadores.6-10 Iniciou-se com essa descoberta, hoje amplamente conhecida no que se refere à história da fotossensibilidade em vidros, a possibilidade de gravar informações na forma de mensagens escritas ou formas artísticas no interior do material e possibilidade de modulação da cor final em função do tipo de sensibilizador utilizado e condições de tratamento térmico. A principal aplicação almejada na época era usar esses meios fotossensíveis como suportes fotográficos como apresentado na Figura 2.9

 


Figura 2. Imagens do vidro fotossensível com as partes escuras representando os volumes irradiados e tratados termicamente (Adaptado da ref. 9)

 

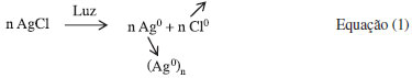
O autor descreveu na época o fenômeno como sendo devido à redução dos íons sensibilizadores Cu2+, Ag+ ou Au3+ para átomos neutros sob irradiação de alta energia possibilitada pela oxidação de íons (Sn2+, Sb3+, Ce3+). Posteriormente, durante o tratamento térmico, ocorria a agregação e precipitação de nanopartículas metálicas responsáveis pela cor observada devido ao fenômeno de ressonância superficial de plasmons dessas nanopartículas metálicas. Após irradiação eletromagnética, ocorre a formação de uma imagem geralmente denominada de imagem "latente", uma vez que não aparece visualmente, mas apenas é revelada após o tratamento térmico. Essa imagem latente apresenta uma maior absorção no UV e pode ser detectada apenas medindo a absorção do volume irradiado nessa região do espectro eletromagnético. Esses vidros fotossensíveis, devido à presença de nanopartículas metálicas, foram classificados como "vidros fotossensíveis metálicos" ou "vidros coloridos transparentes", uma vez que o fenômeno fotossensível era relacionado às nanopartículas metálicas presentes. Stookey relatou ainda outro tipo de vidro fotossensível denominado de "opala fotossensível", obtido a partir de composições vítreas de silicatos de lítio contendo sensibilizadores de Cu, Ag ou Au. Nesse caso, após a etapa de irradiação ultravioleta, o vidro era submetido a dois diferentes tratamentos térmicos em torno de 500 ºC e 560 ºC no caso dos vidros silicatos relatados. O primeiro tratamento térmico permite a precipitação de nanopartículas metálicas do sensibilizador utilizado enquanto o tratamento em temperatura mais elevada resulta na precipitação do metasilicato de lítio Li2SiO3 a partir da superfície das nanopartículas metálicas utilizadas como núcleos de cristalização.8-10 As opalas fotossensíveis formam geralmente uma imagem translúcida da máscara utilizada na iluminação do vidro. Essa fase cristalina sendo rapidamente lixiviada por ácido fluorídrico pode ainda ser removida da matriz vítrea remanescente, formando uma imagem tridimensional da máscara. Essas descobertas deram início a muitos estudos sobre processos fotossensíveis na década de 1950 com o intuito de investigar fenômenos fotossensíveis reversíveis em materiais para aplicações específicas como janelas inteligentes ou armazenamento de dados. Foi realizado em 1962 um simpósio sobre processos fotoquímicos reversíveis com os resultados desse evento publicados na revista Journal of Chemical Physics.11 Os vidros apresentando mudança de cor reversível são denominados de vidros fotocrômicos, sendo que a reversibilidade do efeito pode ser ativada por temperatura (thermal fading) ou exposição à radiação eletromagnética de maior comprimento de onda na região do visível ou infravermelho (optical bleaching).12 O primeiro relato de vidro fotocrômico foi reportado por S. D. Stookey e W. H. Armistead com um vidro borosilicato contendo cristalitos de haleto de prata.13 Ao contrário dos compostos fotocrômicos desenvolvidos na mesma época, esses vidros foram os primeiros materiais a não apresentarem perda de reversibilidade com os ciclos de coloração-descoloração. O processo fotossensível descrito é similar aos processos químicos envolvidos nos meios fotográficos utilizados até hoje (películas fotográficas), sendo que o fenômeno de mudança de cor é devido à decomposição do haleto de prata, formando prata metálica e haletos moleculares. Entretanto, os meios fotográficos convencionais permitem a difusão do halogênio no material, o qual não está mais disponível para recombinação com os átomos de prata quando a iluminação é interrompida. Ao contrário, nos vidros borosilicatos, a estrutura da rede vítrea não permite tal difusão e o halogênio fica confinado na vizinhança das partículas de prata metálica, permitindo nova recombinação através de reação redox.14 Os processos redox envolvidos estão descritos nas equações (1) e (2) abaixo:

• Processo fotográfico não reversível:14

• Processo fotocrômico reversível:14

O tamanho dos cristalitos de haletos de prata formados durante o resfriamento da massa fundida, assim como a distância média entre esses cristalitos, determina a transparência do material inicial e a resolução da imagem a ser gravada no meio vítreo.13,15,16 A reversibilidade do efeito é ilustrada na Figura 3.14 As potenciais aplicações vislumbradas na época pelos autores incluíam janelas ou óculos de sol para controle da intensidade de luz solar transmitida, memórias ópticas e válvulas ópticas de controle em circuitos ópticos.

 


Figura 3. Absorção óptica de diferentes vidros fotocrômicos durante e após irradiação com luz ultravioleta (Adaptado da ref. 14)

 

Também foram desenvolvidos na época vidros podendo apresentar diversas cores características dependendo das condições de irradiação e tratamento térmico.17 Esses vidros, que foram denominados de "full color photosensitive glasses" ou "polychromatic glasses" eram vidros silicatos contendo íons Ag+ e Na+, além de íons haletos contendo F- e Br-. O início do processo de coloração é similar aos vidros fotossensíveis descobertos por Stookey: a irradiação ultravioleta promove a oxidação dos íons de Ce3+ e redução de Ag+ para átomos de prata, formando uma imagem latente sem variações da cor do material. O primeiro tratamento térmico em baixa temperatura (450-500 ºC) permite a precipitação de pequenos cristalitos de prata metálica. Esses nanocristais agem como núcleos de cristalização para o crescimento de fluoreto de sódio NaF cúbico em temperaturas maiores (500-550 ºC). Tratamentos térmicos subsequentes promovem o crescimento de cristais complexos de fluoreto e brometo de prata e sódio Na, Ag-F,Br de formato alongado piramidal na superfície dos cristais cúbicos de NaF conforme ilustrado na Figura 4.17

 


Figura 4. Imagens e figuras representando os cristais cúbicos de NaF e cristais piramidais de Na,Ag-F,BR (Adaptado da ref. 17)

 

Esse vidro tratado pode apresentar aparência de opala no caso de cristais de grande dimensão ou coloração amarela devida aos cristais coloidais de prata precipitados na interface dos cristais dielétricos. Um segundo ciclo de exposição ultravioleta e tratamento térmico resultam em mudanças na coloração desses vidros devido à redução de prata metálica na superfície dos cristais piramidais dielétricos. A cor final do vidro depende do tamanho e da concentração relativa desses cristais coloidais de prata como apresentado na Figura 5.17

 


Figura 5. Modelo microestrutural da sequência de coloraçoes (Adaptado da ref. 17)

 

Além das mudanças de cores resultantes desses mecanismos, foi observado posteriormente que o efeito fotossensível nesses vidros policromáticos resultava em variações de índice de refração do volume irradiado e tratado da ordem de 5×10-4, permitindo a gravação de redes de Bragg de alta eficiência com espessuras maiores que 100 µm.18-20 Esses vidros fotossensíveis apresentando variação de índice de refração por iluminação seguida de tratamento térmico foram denominados de vidros foto-termo-refrativos.

Em 1978, um novo tipo de fotossensibilidade foi descoberto em vidros germanosilicatos por K. O. Hill e colaboradores.21 O efeito fotossensível em vidros germanosilicatos consiste essencialmente na perturbação do índice de refração da ordem de 10-3 sob irradiação com luz ultravioleta, tipicamente entre 190 e 340 nm.22 A origem do mecanismo eletrônico responsável do efeito fotossensível foi amplamente investigada após a descoberta de K. O. Hill, mas é ainda controversa devido à complexidade e diversidade dos possíveis mecanismos envolvidos.22 Entretanto, de maneira geral, acredita-se que a fotossensibilidade dos vidros germanosilicatos com radiação eletromagnética de energia menor que o bandgap típico desses vidros (6-9 eV) é devida à presença de defeitos pontuais na rede vítrea SiO2-GeO2. O modelo mais amplamente aceito é baseado na presença de defeitos pontuais devido às vacâncias de oxigênios ao redor do germânio e também devido às vacâncias de germânio, resultando em níveis eletrônicos dentro do bandgap do material entre 5 e 6 eV.23-27 A redistribuição fotoinduzida dos portadores de cargas nesses níveis eletrônicos é considerada a primeira etapa do mecanismo fotossensível. Dependendo das condições de excitação e etapas de relaxação disponíveis, a fotoexcitação do material pode resultar em redistribuição permanente dos portadores de carga nessa densidade de estados e eventualmente em mudanças topológicas na estrutura atômica a curto e médio alcance, sendo esses efeitos responsáveis pela variação de índice de refração. A fotossensibilidade de vidros germanosilicatos pode ainda ser aumentada por injeção de hidrogênio em alta pressão antes da irradiação ultravioleta. Essa injeção promove um processo térmico e fotolítico levando à formação de defeitos pontuais germânio-oxigênio com subsequente desaparecimento desses defeitos quando expostos à irradiação ultravioleta em torno de 240 nm e aumento do índice de refração.28-30 A possibilidade de modulação de índice de refração em vidros germanosilicatos por exposição no ultravioleta é fundamental do ponto de vista tecnológico, visto que as fibras ópticas utilizadas em telecomunicações apresentam como composição de núcleo vidros de sílica dopados com GeO2. A principal aplicação consiste na possibilidade de gravação de redes de difração (redes de Bragg) no núcleo das fibras ópticas, ampliando consideravelmente as possibilidades de fabricação de dispositivos ópticos nas redes de telecomunicações.

Efeitos fotossensíveis e fotocrômicos também foram descritos em vidros contendo metais de transição que não sejam metais nobres como prata ou ouro, com diversos mecanismos apontados dependendo da composição e do metal responsável da fotossensibilidade. Vidros contendo óxido de cádmio CdO ou óxido de zinco ZnO foram reportados como apresentando propriedades fotocrômicas por irradiação na energia de bandgap devido à formação de defeitos pontuais similares àqueles relatados em vidros germanosilicatos mas ao redor dos íons metálicos.31 Nesse caso, o efeito fotossensível é reversível por irradiação em comprimento de onda dentro da banda de absorção fotoinduzida. Embora propriedades fotocrômicas fossem conhecidas em filmes finos de WO3 e MoO3 depositados por métodos físicos ou químicos, o primeiro relato de vidros maciços fotocrômicos devido à presença de WO3 foi reportado em 1978 por R. Braunstein.32 Vidros de borato de lítio contendo óxido de tungstênio, WO3, apresentaram coloração azul quando imersos em uma solução de ácido tricloroacético e iluminado por luz de energia da ordem da energia de bandgap do material. O efeito permanecia por vários dias após interrupção da iluminação e desaparecia progressivamente. Esse efeito foi associado com o mecanismo envolvendo a injeção simultânea de prótons e elétrons na matriz vítrea, levando à formação de bronze de tungstênio HxWO3. A absorção óptica associada à cor azul é atribuída às transições de polarons que são transferências de elétrons das espécies reduzidas W5+ para as espécies oxidadas W6+. Entretanto, as possíveis aplicações desses vidros fotossensíveis eram limitadas à necessidade de o material estar imerso em solução doadora de prótons para ocorrência do fenômeno fotocrômico. Trabalhos mais recentes demonstraram a possibilidade de indução de mecanismos fotocrômicos em vidros à base de WO3 apenas através de iluminação em energias acima ou na faixa de energia do bandgap do material.33-35 Similarmente aos primeiros vidros fotossensíveis descobertos por Stookey, esses vidros de fosfato de tungstênio devem conter algum agente redutor para observação do efeito fotocrômico. Nesse caso, os vidros continham uma pequena quantidade de Sb2O3 e o efeito fotoinduzido foi atribuído à reação redox fotoinduzida de oxidação do Sb3+ para Sb5+ resultando na redução do W6+ em W5+ nos clusters de octaedros de WO6 presentes na rede vítrea. O efeito descrito é termorreversível com obtenção da absorção óptica original por tratamentos térmicos abaixo da temperatura de transição vítrea. Além disso, o efeito pode ser induzido somente na superfície do vidro por irradiação em comprimento de onda abaixo do limite de transparência do vidro ou ao longo do volume da amostra por irradiação em comprimento de onda ressonante com o bandgap do material como apresentado na Figura 6. Esses vidros de fosfato de tungstênio fotocrômicos foram apontados como promissores como meios para armazenamento tridimensional de dados.

 


Figura 6. Amostra vítrea fotocrômica de fosfato de tungstênio apresentando figuras e imagens gravadas no vidro por iluminação em 514 nm (a), secção transversal ilustrando a efeito fotocrômico no volume do material (b), e reversibilidade do efeito por tratamento térmico (c)

 

Porém, as técnicas de fabricação de dispositivos ópticos envolvendo a irradiação de vidros fotossensíveis por luz ultravioleta estão, na maioria dos casos, limitadas à produção de estruturas gravadas mono e bidimensionais, visto que o material é fotossensível em todo o volume interagindo com a radiação UV. Entretanto, vários trabalhos realizados nas últimas duas décadas mostraram que a exposição de vidros fotossensíveis a pulsos laser da ordem de femtosegundos na região do infravermelho permite modificações eletrônicas ou estruturais similares às observadas com luz ultravioleta, mas confinadas a regiões submicrométricas ao redor do foco do feixe laser.36-39 De fato, o mecanismo de absorção é primeiramente baseado em processos não lineares envolvendo absorção multifótons na região do foco do laser. Esse mecanismo apresenta, portanto, uma alta dependência não linear em relação à intensidade do feixe incidente,37-40 permitindo a fabricação de estruturas fotônicas tridimensionais por translação da amostra em relação ao ponto focal. Esse mecanismo fotoinduzido foi, por exemplo, aplicado à fabricação de guias de onda em vidros e armazenamento de dados tridimensional.41-43 A técnica de gravação em vidros por laser infravermelho de femtosegundos é hoje considerada como a mais promissora para as aplicações envolvendo vidros fotossensíveis pela alta resolução espacial alcançada no processo de irradiação.

Vidros fluoretos

Enquanto algumas famílias de vidros são conhecidas há milhares de anos, outras foram descobertas apenas em meados do século passado. Foi o caso dos vidros fluoretos, mais especificamente, os vidros à base de fluoreto de berílio.44 Embora as composições fossem estáveis, havia um grande inconveniente quanto a sua utilização de maneira comercial devido à grande toxidade do berílio. Assim, vários anos se passaram até que, em 1947, Sun45 descobriu uma composição vítrea que possuía fluoreto de alumínio como agente vitrificador e era livre de berílio. Entretanto, vários anos se passaram até que 1974 os irmãos Marcel e Michel Poulain da Universidade de Rennes na França descobriram outra família de vidros de fluoretos chamada de vidros fluorozirconatos.46 Os vidros descobertos pelos irmãos Poulain e mais tarde chamados de vidros fluoretos de metais pesados revolucionaram a química dos vidros na década de 70, e essa nova classe de composições vítreas originou uma gama enorme de possibilidades de aplicações tecnológicas, incluindo a fabricação de fibras ópticas, lasers e amplificadores ópticos quando essas matrizes eram dopadas com elementos terras raras adequados.47 Dentre as composições químicas mais estudadas de vidros fluoretos podemos destacar aquela chamada pelo acrônimo de "ZBLAN" (ZrF4-BaF2-LaF3-AlF3-NaF) e suas variações. É interessante ressaltar que composições de vidros fluoretos estáveis geralmente são compostas por pelo menos quatro compostos. Embora pareça complicado manipular e controlar as propriedades do material final devido à complexidade da composição, o que ocorre é exatamente o oposto. Devido à grande quantidade de componentes se torna fácil ajustar algumas propriedades físicas dos vidros, tais como coeficiente de expansão térmico, índice de refração e temperatura de transição vítrea, os quais são parâmetros de extrema importância para a preparação de fibras ópticas, por exemplo. Como dito anteriormente e mostrado na Figura 1, os vidros fluoretos podem apresentar transparência na região do infravermelho que se estende até, aproximadamente, 12 mm. Embora os modos vibracionais fundamentais destes compostos possam apresentar absorções na região de 10 a 50 mm a região de multifonons destes materiais é limitada devido às absorções dos segundos e terceiros harmônicos da absorção fundamental. A Figura 7 mostra um espectro de transmitância para um vidro ZBLAN.

 


Figura 7. Espectro de transmissão de um vidro ZBLAN mostrando a janela de transparência que se estende de 0,3 mm até região de infravermelho. Cortesia do Dr. Mohammed Saad

 

Embora a transparência dos vidros ZBLAN na região do infravermelho seja boa, outras composições também são interessantes, tais como as dos vidros fluoroindatos que possuem a menor energia de fônons entre os vidros fluoretos estáveis, tornando-os ótimos para aplicações em meios ativos. Vidros fluoroindatos possuem uma larga janela de transmissão que se estende de 0,3 a 9,5 mm, e outra propriedade bastante importante destes vidros é sua capacidade de solubilizar íons terras raras em grandes concentrações ao contrário das fibras de sílica. Vidros fluoretos contendo íons terras raras possuem como grande foco de aplicações a preparação de fibras ópticas e lasers.

A Figura 8 mostra linhas lasers que podem ser obtidas usando vidros à base de fluoretos em relação aos vidros à base de sílica.

 


Figura 8. Comparaçao das linhas laser de vidros fluoretos dopados com terras raras com vidros à base de sílica. Cortesia do Dr. Mohammed Saad

 

Na Figura 9a e 9b são mostrados os elementos terras raras usados para fabricar todos os lasers disponíveis usando vidros fluoretos.

 


Figura 9. a) íons terras raras usados para dopagem de vidros fluoretos para a obtenção de lasers nas regiões do ultravioleta e do visível e b) nas regiões estendendo-se do infravermelho próximo até o infravermelho médio. Cortesia do Dr. Mohammed Saad

 

Embora a manipulação de composições vítreas à base de fluoretos necessite de condições especiais, as fibras ópticas são obtidas usando a mesma tecnologia desenvolvida para vidros a base de sílica. Além de fibras convencionais, do tipo núcleo-casca, outras formas mais exóticas podem ser obtidas, tais como forma-D, com núcleos hexagonais, retangulares ou quadrados ou ainda contendo várias cascas para a manipulação da abertura numérica (a qual é responsável pela inserção e posterior guiamento da luz na fibra).48 Outro tipo de fibra óptica mais avançada, chamada de fibra fotônica e que possui características especiais também pode ser produzida usando vidros fluoretos. Uma discussão mais aprofundada sobre as fibras fotônicas é feita na Parte 2 deste artigo. A Figura 10 mostra imagens de algumas fibras exóticas obtidas usando vidros fluoretos.

 


Figura 10. a) fibra fotônica (microestruturada) e b) Perfil de uma fibra com várias cascas, hexagonal e cilíndricas ao redor de um núcleo (vermelho escuro). Cortesia do Dr. Mohammed Saad

 

Além da vantagem de poder incorporar grandes quantidades de íons ativos (terras raras) os vidros fluoretos também se destacam por apresentar a menor perda óptica teórica dentre os vidros existentes, atingindo valores da ordem de 0,001 dB/km enquanto a perda teórica das fibras de sílica é uma ou duas ordens de grandeza maiores que isso. Entretanto, do ponto de vista experimental produzir fibras de vidros fluoretos com baixíssimas perdas é industrialmente difícil. O maior entrave é a purificação dos materiais de partida e, na prática, as fibras de sílica atingem os melhores valores de perdas, pois os reagentes de partida podem ser gases, os quais podem ser muito mais puros que os fluoretos no estado sólido.47

Devido à grande estabilidade desses vidros e também à boa transmissão na região do infravermelho, várias aplicações foram desenvolvidas utilizando esses vidros. De uma maneira geral as aplicações de vidros fluoretos na forma de fibras ópticas podem ser divididas em duas categorias: aplicações ativas e passivas. Fibras passivas são aquelas usadas simplesmente para conduzir a luz de um ponto ao outro sem alterar suas propriedades, enquanto que nas ativas as fibras dopadas com terras raras podem originar linhas lasers de diferentes comprimentos de onda, assim como mostrado na Figura 9.

Aplicações de fibras passivas incluem sensoriamento, espectroscopia remota, medidas de temperatura, telecomunicações, entre outras. Um exemplo interessante de fibras passivas são aquelas usadas para sensoriamento remoto no qual a fibra pode ser colocada em uma área de risco, onde existam moléculas orgânicas ou inorgânicas tóxicas, sendo que o sistema de monitoramento está em uma área longe dos compostos.

Moléculas orgânicas e também algumas inorgânicas no estado gasoso possuem suas absorções fundamentais na região entre 2 e 6 mm. Sendo assim, fibras ópticas passivas transparentes nesta região podem ser usadas para detectar a presença de tais moléculas, mesmo em concentrações muito baixas.

Um exemplo interessante é o uso dessas fibras para monitoramento de HF em fábricas de produção de alumínio.49

No que diz respeito às fibras ativas as principais aplicações são fibras a laser e amplificadores ópticos. Fibras para lasers, assim como mostrado na Figura 9, são obtidas pela incorporação de diferentes terras raras na composição dos vidros fluoretos. Assim, variando-se a composição, diferentes comprimentos de onda podem ser conseguidos. Lasers de fibras ópticas de vidros fluoretos podem conduzir altas potências sem causar danos na mesma, possibilitando várias aplicações. Uma aplicação bastante interessante são as fibras operando em 2,8 mm que são usadas para cirurgias. Os amplificadores ópticos usando fibras de vidros fluoretos são concebidos principalmente para operarem em 1,55 e 1,3 mm, que correspondem aos vidros dopados com Er3+ e Pr3+, respectivamente. Estes são os dois principais comprimentos de onda relacionados à transmissão de informação em telecomunicações e correspondem aos mínimos de absorção das fibras de sílica comerciais. Embora existam outras alternativas de fibras dopadas com Er para operar na região de 1,55 mm, a fibra dopada com Pr3+ é a única no mercado para amplificação em 1,3 mm.50

Vidros calcogenetos

Como dissemos anteriormente, quando materiais sólidos interagem com a luz, é importante sermos capazes de prever e modificar suas respostas. Isto é possível quando conhecemos suas propriedades ópticas e os mecanismos responsáveis pelo seu comportamento óptico. Quando existe a necessidade de se obter grande transparência na região do infravermelho as melhores composições químicas de vidros são aquelas à base de calcogenetos. Estes vidros possuem como componente principal um ou mais elementos calcogênios (com exceção do oxigênio), pertencentes ao grupo VI da tabela periódica (enxofre, selênio e telúrio), ligados covalentemente à formadores de redes tais como As, Ge e Sb, etc. Eles são conhecidos por apresentarem transparência na região do infravermelho médio e distante. Sabemos que no espectro eletromagnético, a região do infravermelho (IV) abrange a faixa de comprimentos de onda que se estende de 740 nm até 1 mm (0,74 até 1000 µm) e que pode ser subdividida como ilustra a Figura 11.

 


Figura 11. Espectro de transmissão da atmosfera (medido a 1800 m acima do nível do mar) com a atribuição das bandas de absorção correspondentes às vibrações moleculares e apresentando as diferentes sub-faixas na região do infravermelho: NIR (near-infrared), SWIR (short wave infrared), MWIR (medium wave infrared),LWIR (long wave infrared) FWIR (far wave infrared)

 

Diversos trabalhos foram publicados nos últimos anos relatando as propriedades únicas dos vidros calcogenetos, descrevendo o porquê destes materiais serem atualmente utilizados em diversas áreas, tais como militar, médica e civil, bem como as perspectivas referentes às suas aplicações tecnológicas.52-61 Com o objetivo central de descrever como a luz, e particularmente a luz infravermelha, interage com os vidros calcogenetos, abordaremos os seguintes aspectos: a transparência, transmissão e emissão de luz no IV, bem como a interação destes vidros com a luz através dos efeitos fotoinduzidos.

Transparência e transmissão da luz no infravermelho

Os vidros calcogenetos são materiais vítreos que possuem a janela de transmissão mais estendida na região do infravermelho (LWIR e FWIR na Figura 11, do inglês "Low Wavelength Infrared" e "Far Wavelength Infrared") devido as suas baixas energias de fônons (350 cm-1) em comparação com a dos vidros óxidos, como a sílica (1100 cm-1) ou fluoretos (540 cm-1), como pode ser visto na Figura 1. No caso dos vidros calcogenetos, dependendo de tipo de ânion utilizado na preparação do vidro (S, Se ou Te), a transparência do material será mais estendida no IV (e a intensidade transmitida menor, devido ao índice de refração que aumenta com o peso atômico do elemento calcogênio e, consequentemente, às altas perdas devido as reflexões de Fresnel nas interfaces do vidro).

Neste sentido, os vidros calcogenetos constituem, então, o candidato preferido para aplicações no infravermelho.62 Dentre os sistemas vítreos mais explorados e conhecidos, podemos citar o sulfeto de arsênio, As-S, largamente usado para fabricação de fibras óticas para transmissão de luz no infravermelho próximo e médio (0,7 a 14 mm)63 e o vidro ternário Ga-La-S, que permitiu a fabricação das primeiras fibras laser de calcogenetos.64 Vidros e vitrocerâmicas à base de calcogenetos também podem ser usados para aplicações como lentes, objetivas ou janelas transparentes no IV.65-67 Segundo a aplicação desejada, como por exemplo sensoriamento espectral multibandas68 ou lentes e sensores operando no IV distante (FWIR, Figura 11),69-71 vidros de sulfetos são geralmente preferidos para os comprimentos de onda menores enquanto vidros de selenetos e teluretos serão usados para transmitir comprimentos de onda maiores, respectivamente. Por outro lado, é necessário considerar que estes dois últimos tipos de vidros, i.e., selenetos e teluretos, são opacos na região do visível devido à baixa energia da banda proibida, como pode ser observado na Figura 12.

 


Figura 12. Transmissão óptica de vidros 20Ga2Se3-80GeSe2 (a) no visível e (b) no infravermelho, através uma câmera óptica operando na faixa 8-12 µm. (Adaptada da ref. 67)

 

Um dos maiores desafios em relação à tecnologia baseada em vidros calcogenetos é a produção de fibras ópticas com baixas perdas ópticas, pois é necessária a fabricação de vidros de alta pureza química a fim de reduzir as perdas dentro do material. De fato, a presença de impurezas como oxigênio, hidretos de carbono e água formam ligações com os precursores do vidro, formando então grupos como S-H, Se-H, -OH, etc., que podem induzir fortes absorções na região do infravermelho. Muitos esforços têm sido feitos em vários grupos de pesquisa e empresas ao redor do mundo para purificar os precursores, bem como os vidros usados para a produção de fibras ópticas de vidros calcogenetos.72

Interação com a luz: efeitos fotoinduzidos em calcogenetos

A resposta que os materiais apresentam quando expostos a luz é denominada fotosensitividade, como discutido acima. As mudanças fotoinduzidas dependem não somente dos parâmetros da luz usada durante a exposição, mas também das propriedades do material exposto.73 Os fenômenos fotoinduzidos são favorecidos em vidros calcogenetos devido à sua flexibilidade estrutural (baixa número de coordenação) e também devido aos pares de elétrons livres existentes na banda de valência.74 Os mecanismos por trás dos fenômenos fotoinduzidos nesses vidros são atribuídos principalmente à criação de um par de elétron-vacância, o qual muda a valência dos átomos vizinhos e suas ligações químicas, criando assim defeitos de coordenação.75

Resultados recentes em filmes finos a base de AsxS100-x, dopados com prata e ricos e enxofre (x<20, Eg=2,7 eV), (O. Boily, S. H. Messaddeq, M. El-Amraoui e Y. Messaddeq, relatório interno - COPL abril 2014), quando expostos a irradiação de um laser CW (Efoton=2,5 eV), mostram que, controlando a composição e os parâmetros de exposição da radiação, é possível modular as variações estruturais onde podemos induzir a cristalização de diferentes fases cristalinas, como mostra a Figura 13. Neste caso é proposto que durante a absorção da luz em um dado comprimento de onda ocorre um aumento da concentração dos portadores de carga, que estão relacionados às quebras das ligações covalentes enfraquecendo o estado amorfo metaestável e levando a um aumento da velocidade de cristalização.76 À baixa potência, a primeira fotocristalização induz o aparecimento de As2O3 (Figura 13a). O aumento da potência leva à obtenção de enxofre cristalino ramificado (Figura 13b) e, devido ao aumento do tempo de exposição, ocorre o processo de amadurecimento de Ostwald (Figura 13c), no qual há tendência de agregação de enxofre.

 


Figura 13. Evolução da fotocristalização de filmes finos As10S90 =20% at. Ag irradiado a diferentes potências. (a) mapeamento-transversal EDX mostrando a formação de As2O3, (b) cristalização do enxofre e (c) amadurecimento de Ostwald para as regiões ricas em enxofre

 

No entanto, quando o vidro é exposto a um laser femtosegundo (laser-fs), com comprimentos de onda no visível ou infravermelho-próximo, este tem energia de fóton suficiente para ser absorvido linearmente nos vidros. Os elétrons da banda de valência são promovidos para a banda de condução através da fotoionização não linear, que procede via ionização multifóton e/ou fotoionização de tunelamento, dependendo da frequência e da intensidade do laser.77,78 Assim, mediante a interação de vidros calcogenetos com laser-fs foi possível produzir guias de onda operando no infravermelho médio através da inscrição de canais com variações de índice de refração negativo-positivo, simplesmente movendo a amostra transversalmente em relação ao feixe do laser-fs.79 Outra característica interessante da interação do laser-fs com os vidros calcogenetos é a formação de diferentes tipos de estruturas, por exemplo a formação de nanoredes,80 fabricação de nanoburacos81 e nanofibras.82 Estudos recentes mostram a influência de átomos de calcogenetos com diferentes bandgaps na formação de diferentes estruturas em vidros calcogenetos. Vidros à base de GeTe4 (Eg =0.6 eV) , GeSe (Eg =1.07 eV) e GeS2 (Eg =2.2 eV) quando expostos a um laser -fs Ti:sapphire (1KHz, 100 fs, 800 nm), mostram diferentes morfologias como exposto na Figura 14.

 


Figura 14. Diferentes tipos de estruturas produzidas através da interação laser-fs e vidros calcogenetos com diferentes bandgaps. (a) Ge20S80, (b) Ge20Se80 e (c) Ge20Te80

 

Podemos observar que para os vidros a base de enxofre, estruturas denominadas nanolacunas são formadas. Estas nanolacunas podem ser exploradas para armazenamento de memória 3D83 ou dispositivos com bandgap fotônico. No caso de vidros calcogenetos à base de selênio é observado o aparecimento de estruturas ricas em selênio interconectadas. Particularmente nos vidros à base de telúrio é observada uma das mais relevantes aplicações tecnológicas relacionadas ao processamento da superfície via laser-fs, que é a texturização da superfície. Nesse caso podemos criar superfícies super hidrofóbicas (θ> 150º) para serem utilizadas como superfícies auto-limpantes, esqueletos biológicos, microfluídicos e outros dispositivos.84-87 O processo é inspirado em vários exemplos da natureza, um deles o da folha de lótus, na qual texturas de superfície naturais resultam em uma excepcional superfície repelente de água.

Emissão da luz no infravermelho

Além da emissão de luz infravermelha obtida a partir do aquecimento de um corpo negro (usado em espectrômetros de infravermelho) ou de um filamento de tungstênio que são usados como fontes de banda larga, a emissão de luz na região do infravermelho pode ser realizada de várias maneiras resumidas na Figura 15: a partir de diodos semicondutores baseados em transições interbandas e intersub-bandas como os quantum cascade lasers (QCLs),88 a partir de laser no estado sólido em cristais dopados com terras raras ou metais de transição como Cr2+:ZnS(Se) e Fe2+:ZnS(Se) e que apresentam emissão laser de banda larga de 2 até 3,5 µm e ~3,5 até 5 µm, respectivamente,89 a partir de fontes não lineares através da conversão de frequência via geração de segundo harmônico (SHG), amplificador paramétrico óptico (OPA), oscilador paramétrico óptico (OPO) em monocristais como GaAs/Ge, ZnGeP2, AgGaS(Se)2 e também alargamento de bandas de emissão no IV próximo com microresonadores90 ou geração de supercontínuo (SCG).91 Dependendo do tipo do laser, a emissão pode ser contínua (chamada CW, do inglês continuous wave) ou pulsada com tempo de pulso de luz na ordem femtosegundo (fs), picosegundo (ps) ou nanosegundo (ns). Grandes esforços têm sido dedicados para desenvolver lasers na forma de fibras óticas por causa das vantagens que eles oferecem (qualidade do feixe, compacticidade e possibilidade de transportar estes lasers facilmente em veículos ou aviões sem precisar de acessórios ópticos/espelhos, melhor gestão dos efeitos térmicos, etc.).92

 


Figura 15. Comprimentos de onda aproximados de várias fontes de luz no IV médio (sólido: demonstrado, translúcido: não demonstrado ainda). (Adaptado da ref. 93)

 

A geração de luz supercontínua (SCG) na região do infravermelho tem atraído muito interesse nos últimos anos devido ao grande leque de aplicações, tais como sensores nesta região do espectro eletromagnético onde se concentram as assinaturas espectrais (molecular fingerprint) de várias moléculas orgânicas, como ilustrado na Figura 16. Neste sentido, os vidros calcogenetos, cuja não linearidade óptica supera a de todos os vidros inorgânicos conhecidos, constituem um excelente material para gerar luz supercontínua. A fabricação relativamente fácil de fibra óptica a partir de vidros calcogenetos permite o confinamento da luz necessário para que a soma dos diferentes efeitos não lineares resultem num supercontínuo de luz.94-96 Recentemente, a geração de um supercontínuo de luz cobrindo a faixa 1,4 - 13,3 µm foi obtida numa fibra de calcogeneto.97 A alta não linearidade dos vidros calcogenetos, como o deslocamento Raman, também pode ser usado para a emissão de luz no infravermelho. Assim foi obtido um efeito laser em 3,77 µm em uma fibra calcogeneto através da combinação da não linearidade do material de calcogeneto e a emissão em 3,0 µm obtida numa fibra de fluoreto dopada com érbio Er3+.93,94

 


Figura 16. Posição das bandas IV de várias moléculas químicas. (Adaptado da ref. 62)

 

A dopagem de vidros calcogenetos com íons de terras raras no intuito de obter emissão no infravermelho também é um domínio muito explorado por vários grupos de pesquisa.98-100 Devido ao seu alto índice de refração e sua baixa energia de fônon, altas seções eficazes de absorção (absorption cross-section) e emissão, assim como baixas relaxações multifonon (e, consequentemente, alto rendimento quântico de luminescência) são esperadas nos vidros calcogenetos. Baseados nestas características os vidros calcogenetos foram bastante explorados para aplicações nas bandas de telecomunicações ópticas (banda O: 1,26-1,36 µm; banda E: 1,36-1,46 µm, banda S: 1,46-1,53 µm; banda C: 1,53-1,565 µm; banda L: 1,565-1,625 µm e; banda U: 1,625-1,675 µm). A emissão em 1,3 µm foi observada em vidros Ge-Ga-S dopados com disprósio Dy3+ 101 ou praseodímio Pr3+.102 Emissões em 1,2, 1,45 e 1,8 µm foram observadas em vidros Ge-Ga-S-CsBr dopados com túlio Tm3+.103 Emissão em 1,6 µm foi observada na mesma matriz vítrea dopada com hólmio Ho3+ 104 enquanto que na matriz Ge-Ga-Se-CsBr dopada com Ho3+ foi mostrado um aumento da intensidade desta emissão com a codopagem de térbio Tb3+.104 Nestes trabalhos, a excitação do íon de terra rara é feita a partir de um laser Ti-safira em torno de 800-920 nm.

Terras raras também possuem transições 4f-4f radiativas na região do infravermelho médio (MIR), como apresentado na Figura 17.105 Emissões no infraverm, elho médio foram observadas em vidros fluoretos e óxidos a partir do Tm3+ e Ho3+ em 2,0 e 2,3 µm, e em 2,1; 2,8; 3,0; 3,2 e 4,0 µm, respectivamente.92 Nos vidros calcogenetos, particularmente em vidros selenetos, são os íons Dy3+ e Pr3+ que atraíram o maior interesse, devido às intensas emissões respectivamente em 3 e 4,3 µm para o Dy3+ 106 e cobrindo a banda 3,5-5,5 µm para o Pr3+.107 Nestes casos, a excitação é geralmente feita em 1,8 µm ou ainda em maior comprimento de onda (e.g. 2,05 µm), dependendo do esquema de excitação escolhido. Codopagem com outros íons de terras raras também podem aumentar eficiência de população dos níveis desejados. As emissões em 2,7; 3,5, e 4,5 µm foram medidas em vidros calcogenetos dopados com érbio Er3+.108,109 Emissão por volta de 7-8 µm também foi mostrada num vidro calcogeneto dopado com íons Tb3+.98,108

 


Figura 17. Diagramas dos níveis de energia dos íons de terras raras candidatos para emissões no IV médio (MIR) com as respectivas transições, correspondendo à faixa 3-5 µm

 

O sistema vítreo GaLaS também é um bom candidato para dopagem com íons de terras raras, devido à presença na rede vítrea do lantânio. Por exemplo, emissões em 1,8, 2,9 e 4,3 µm foram também observadas nesta matriz a partir do íon Dy3+.110 O fato mais relevante é que o único laser fabricado numa fibra calcogeneto e baseado na emissão de íons de terras raras até hoje foi realizado utilizando a matriz GaLaS contendo La2O3 e dopada com neodímio Nd3+ em 1,08 µm.111

Além da utilização dos íons de terras-raras, a emissão na região do infravermelho também pode ser obtida em vidros calcogenetos a partir de íons metálicos, por exemplo, o bismuto Bi, cuja emissão de banda larga já foi observada na região do infravermelho próximo.112-114 Hoje, vários grupos de pesquisa estão tentando gerar luz na região de 2-4 µm a partir dos íons de metais de transição Fe2+ ou Cr2+.114-116

 

CONCLUSÕES

Acreditamos que nesta primeira parte do artigo de revisão possamos ter dado ao leitor uma ideia geral sobre a importância da composição química das diferentes famílias de vidros e sua direta correlação com propriedades estruturais e ópticas, possibilitando inúmeras aplicações tecnológicas, especialmente na área de fotônica.

 

AGRADECIMENTOS

Os autores são gratos às agências brasileiras de fomento, FAPESP (Projeto CEPID 2013/07793-6 e 2012/50259-8), FAPEMIG, CNPq e CAPES, assim como às agências canadenses CERC, NSERC, CFI e FRQNT pelos auxílios financeiros concedidos. Agradecemos ao Dr. Mohammed Saad pela disponibilização das imagens das Figuras 7 a 10. Os autores agradecem também o jornal Laser Focus World (Vol. 50, Iss. 50) pela permissão concedida para poder reproduzir a Figura 15. Os autores agradecem a Oliver Boily pelas imagens de MEV sobre a fotocristalização (Figura 14).

 

REFERÊNCIAS

1. http://www.light2015.org/Home/About.html, acessado em Maio 2015.

2. Varshineya, A. K.; Fundamental of Inorganic Glasses, Academic Press Inc.: San Diego, 1994.

3. Alves, O. L.; Gimenez, I. F.; Mazali, I. O.; Química Nova na Escola (Cadernos Temáticos) 2001, Fevereiro, 9.

4. Armistead, W. H.; (to Corning Glass Works); Can. pat. 442-272 1947.

5. Stookey, S. D.; (to Corning Glass Works); Can. pat. 442-273 1947.

6. Stookey, S. D.; (to Corning Glass Works); U.S. pat. 2,515,937 1950.

7. Stookey, S. D.; (to Corning Glass Works); U.S. pat. 2,515,943 1950.

8. Stookey, S. D.; J. Am. Ceram. Soc. 1949, 32, 246. DOI: http://dx.doi.org/10.1111/j.1151-2916.1949.tb18957.x

9. Stookey, S. D.; Ind. Eng. Chem. 1949, 41, 856. DOI: http://dx.doi.org/10.1021/ie50472a042

10. Stookey, S. D.; J. Opt. Soc. Am. 1950, 40, 265.

11. Cohen, M. D.; Schmidt, G, M. J.; J. Phys. Chem. 1962, 66.

12. Megla, G. K.; Appl. Opt. 1966, 5-6, 945. DOI: http://dx.doi.org/10.1364/AO.5.000945

13. Armistead, W. H.; Stookey S. D.; U.S. pat. 3,208,860 1965.

14. Armistead, W. H.; Stookey, S. D.; Science 1964, 144, 150. DOI: http://dx.doi.org/10.1126/science.144.3615.150 PMID: 17808277

15. Smith, G. P.; Proceedings of the VII International Congress on Glass, Brussels, Belgium, 1965.

16. Justice B.; Leibold, F. B.; Inform. Displ. 1965, 2, 23.

17. Stookey, S. D.; Beall, G. H.; Pierson, J. E.; J. Appl. Phys. 1978, 49, 5114. DOI: http://dx.doi.org/10.1063/1.324458

18. Borgman, V. A.; Glebov, L. B.; Nikonorov, N. V.; Sov. Phys. Dokl. 1989, 34, 1011.

19. Glebov, L. B.; Nikonorov, N. V.; Panysheva, G. T.; Sov. Phys. Dokl. 1990, 35, 878.

20. Glebov, L. B.; Nikonorov, N. V.; Panysheva, G. T.; Opt. Spect. 1992, 73, 237.

21. Hill, K. O.; Fujii Y.; Johnson D. C.; Kawasaki, B. S.; Appl. Phys. Lett. 1978, 32, 647. DOI: http://dx.doi.org/10.1063/1.89881

22. Potter, B. G.; Simmons-Potter, K.; Nucl. Inst. Meth. Phys. Res. B 2000, 166-167, 771. DOI: http://dx.doi.org/10.1016/S0168-583X(99)00864-2

23. Hosono, H.; Abe, Y.; Kinser, D. L.; Weeks, R. A.; Muta K.; Kawazoe, K.; Phys. Rev. B 1992, 46, 445.

24. Nishii, J.; Fukumi, K.; Yamanaka, H.; Kawamura, K.; Hosono, H.; Kawasoe, H.; Phys. Rev. B 1995, 52, 1661. DOI: http://dx.doi.org/10.1103/PhysRevB.52.1661

25. Nishii, J.; Kitamura, H.; Yamanaka, H.; Hosono, H.; Kawasoe, H.; Opt. Lett. 1995, 20, 1184. DOI: http://dx.doi.org/10.1364/OL.20.001184 PMID: 19859466

26. Hosono, H.; Kawasoe, H.; Nishii, J.; Phys. Rev. B 1996, 53, 921. DOI: http://dx.doi.org/10.1103/PhysRevE.53.921

27. Friebele, E. J.; Griscom, D. L.; Mat. Res. Symp. Proc. 1986, 61, 319. DOI: http://dx.doi.org/10.1557/PROC-61-319

28. Atkins, R. M.; Nelson, K. T.; Walkui, K. L.; US pat. 5,157,747 1992.

29. Williams, D. L.; Ainslie, A. I.; Armitage, I. R.; Kashyap, R.; Proceedings of the 18th European Conference on optical Communication (ECOC), Berlin, Germany, 1992.

30. Atkins, R. M.; Lemaire, P. J.; Erdogan, T.; Mizrahi, V.; Elect. Lett. 1993, 29, 1234. DOI: http://dx.doi.org/10.1049/el:19930825

31. Kawazoe, H.; Suzuki, R.; Inoue, S.; Yamane, M.; J. Non. Cryst. Sol. 1989, 111, 16. DOI: http://dx.doi.org/10.1016/0022-3093(89)90418-3

32. Braunstein R.; Sol. State. Comm. 1978, 28, 839. DOI: http://dx.doi.org/10.1016/0038-1098(78)90169-2

33. Poirier, G.; Nalin, M.; Cescato, L.; Messaddeq, Y.; Ribeiro, S. J. L.; J. Chem. Phys. 2006, 125, 161101. DOI: http://dx.doi.org/10.1063/1.2364476 PMID: 17092055

34. Nalin, M.; Carvalho, E. J.; Cescato, L.; Poirier, G.; Ribeiro, S. J. L.; Messaddeq, Y.; J. Non. Cryst. Sol. 2006, 352, 3535. DOI: http://dx.doi.org/10.1016/j.jnoncrysol.2006.03.087

35. Poirier, G.; Nalin, M.; Ribeiro, S. J. L.; Messaddeq, Y.; Sol. State Ionics 2007, 178, 871. DOI: http://dx.doi.org/10.1016/j.ssi.2007.01.012

36. Liu, X.; Du, D.; Mourou, G.; J. Quant. Electron. 1997, 33, 1706. DOI: http://dx.doi.org/10.1109/3.631270

37. Du, D.; Liu, X.; Korn, G.; Squier, J.; Mourou, G.; Appl. Phys. Lett. 1994, 64, 3071. DOI: http://dx.doi.org/10.1063/1.111350

38. Stuart, B. C.; Feit, M. D.; Rubenchik, A. M.; Shore, B. W.; Perry, M. D.; Phys. Rev. Lett. 1995, 74, 2248. DOI: http://dx.doi.org/10.1103/PhysRevLett.74.2248 PMID: 10057880

39. Lenzner, M.; Kruger, J.; Sartania, S.; Cheng, Z.; Spielmann, C.; Mourou, G.; Phys. Rev. Lett. 1998, 80, 4076. DOI: http://dx.doi.org/10.1103/PhysRevLett.80.4076

40. Varel, H.; Ashkenasi, D.; Rosenfeld, A.; Herrmann, R,; Noack, F.; Appl. Phys. A 1996, 62, 293. DOI: http://dx.doi.org/10.1007/BF01575098

41. Miura, K.; Qui, J.; Inouye, H.; Mitsuyu, T.; Hirao, K.; Appl. Phys. Lett. 1997, 71, 3329. DOI: http://dx.doi.org/10.1063/1.120327

42. Glezer, E. N.; Milosavljevic, M.; Huang, L.; Opt. Lett. 1996, 21, 2023. DOI: http://dx.doi.org/10.1364/OL.21.002023 PMID: 19881880

43. Squier, J. A.; Muller, M.; Appl. Opt. 1999, 38, 5789. DOI: http://dx.doi.org/10.1364/AO.38.005789 PMID: 18324094

44. Lebeau, P.; Comp. Rend. Acad. Sci. 1898, 126, 1418.

45. Sum, K. H.; J. Am. Ceram. Soc. 1947, 30, 277. DOI: http://dx.doi.org/10.1111/j.1151-2916.1947.tb19654.x

46. Poulain, M.; Poulain, M.; Lucas, J.; Mat. Res. Bull. 1975, 10, 243. DOI: http://dx.doi.org/10.1016/0025-5408(75)90106-3

47. France, P. W.; Fluoride Glass Optical Fiber, CRC Pres, Inc.: Boca Raton, 1989.

48. http://www.rp-photonics.com/numerical_aperture.html, acessada em Maio 2015.

49. Bernard, P.; Labranche, B.; Cyr, Y. M.; Proc. SPIE 1998, 3416, 22

50. Lauzon, J.; Saad, M.; Proc. SPIE 1998, 3416, 106

51. http://www.us.schott.com/advanced_optics/english/products/optical-materials/ir-materials/infrared-chalcogenide-glasses/index.html. acessada em Abril 2015

52. Hilton, A. R.; Kemp, S.; Chalcogenide glasses for infrared optics, Mc Graw Hill: New York, 2010.

53. Kokorina, V. F.; Glasses for infrared optics, CRC Press: Boca Raton, 1996.

54. Sanghera, J.; Aggarwal, I.; Infrared Fiber optics, CRC Press: Boca Raton, 1998.

55. Adam, J. L.; Zhang, X. H.; Chalcogenide glasses, preparation, properties and applications, Woodhead Publishing: Cambridge, 2014.

56. Kolobov, A. E.; Photo-induced metastability in amorphous semi-conductors, Wiley-VCH: Winheim, 2003.

57. Kolobov, A. V.; Tominaga, J.; Chalcogenides, metastability and phase change phenomena, Springer: New York, 2012.

58. Tanaka, K.; Shimakawa, K.; Amorphous chalcogenide semiconductors and related materials, Springer: New York, 2011.

59. Raoux S.; W. M.; Phase Change Materials, science and applications, Springer-Verlag: Heidelberg, 2009.

60. Harrington, J. A.; Infrared fibers and their applications, SPIE Press: 2004.

61. Zakery, A.; Elliot, S. R.; Optical Nonlinearities in Chalcogenide Glasses and their Applications, Springer-Verlag Berlin and Heidelberg GmbH & Co. K, 2007.

62. Zhang, X.; Bureau, B.; Lucas, P.; Boussard-Pledel, C.; Lucas, J.; Chem. - Eur. J. 2008, 14, 432. DOI: http://dx.doi.org/10.1002/chem.200700993

63. Skripachev, I.; El-Amraoui, M.; Messaddeq, Y.; Santagneli, S. H.; Intern. J. Appl. Glass Sci. 2013, 4, 256. DOI: http://dx.doi.org/10.1111/ijag.12020

64. West, Y. D.; Schweizer, T.; Brady, D. J.; Hewak, D. W.; Fiber and Integr. Opt. 2000, 19, 229. DOI: http://dx.doi.org/10.1080/01468030050058802

65. Roze, M.; Calvez, L.; Hubert, M.; Toupin, P.; Bureau, B.; Boussard-Pledel, C.; Zhang, X. H.; Intern. J. Appl. Glass Sci. 2011, 2, 129. DOI: http://dx.doi.org/10.1111/j.2041-1294.2011.00037.x

66. Roze, M.; Calvez, L.; Ledemi, Y.; Allix, M.; Matzen, G.; Zhang X. H.; J. Am. Ceram. Soc. 2008, 91, 3566. DOI: http://dx.doi.org/10.1111/j.1551-2916.2008.02684.x

67. Hubert, M.; Delaizir, G.; Monnier, J.; Godart, C.; Ma, H. L.; Zhang, X. H.; Calvez, L.; Opt. Expr. 2011, 19, 23513. DOI: http://dx.doi.org/10.1364/OE.19.023513

68. Ledemi, Y.; El-Amraoui, M.; Messaddeq, Y.; Opt. Mat. Expr. 2014, 4, 1725. DOI: http://dx.doi.org/10.1364/OME.4.001725

69. Danto, S.; Houizot, P.; Boussard-Pledel, C.; Zhang, X. H.; Smektala, F.; Lucas, J.; Adv. Funct. Mat. 2006, 16, 1847. DOI: http://dx.doi.org/10.1002/adfm.200500645

70. Zhang, X. H.; Calvez, L.; Seznec, V.; Ma, H. L.; Danto, S.; Houizot, P.; Boussard-Pledel, C.; Lucas, J.; J. Non-Cryst. Sol. 2006, 352, 2411. DOI: http://dx.doi.org/10.1016/j.jnoncrysol.2005.10.023

71. Bureau, B.; Zhang, X. H.; Smektala, F.; Adam, J. L.; Troles, J.; Ma, H. L.; Boussard- Pledel, C.; Lucas, J.; Lucas, P.; Le Coq, D.; Riley, M. R.; Simmons, J. H.; J. Non-Cryst. Sol. 2004, 345, 276. DOI: http://dx.doi.org/10.1016/j.jnoncrysol.2004.08.096

72. Snopatin, G. E.; Shiryaev, V. S.; Plotnichenko, V. G.; Dianov, E. M.; Churbanov, M. F.; Inorg. Mat. 2009, 45, 1439. DOI: http://dx.doi.org/10.1134/S0020168509130019

73. Musgraves, J. D.; Richardson, K.; Jain, H.; Opt. Mat. Expr. 2011, 1, 921. DOI: http://dx.doi.org/10.1364/OME.1.000921

74. Zakery, A.; Elliott, S. R.; J. Non-Cryst. Sol. 2003, 330, 1. DOI: http://dx.doi.org/10.1016/j.jnoncrysol.2003.08.064

75. Shimakawa, K.; Kolobov, A.; Elliott, S. R.; Adv. Phys. 1995, 44, 475. DOI: http://dx.doi.org/10.1080/00018739500101576

76. Fairman, R.; Ushkov, B.; Semiconducting Chalcogenide Glass I: Glass Formation, Structure, and Simulated Transformations in Chalcogenide Glasses, Academic Press: Amsterdam, 2004.

77. Stuart, B. C.; Feit, M. D.; Herman, S.; Rubenchik, A. M.; Shore, B. W.; Perry, M. D.; Phys. Rev. B 1996, 53, 1749. DOI: http://dx.doi.org/10.1103/PhysRevB.53.1749

78. Schaffer, C.; Brodeur, A.; Mazur, E.; Mat. Sci. Technol. 2001, 12, 1784.

79. Messaddeq, S. H.; Bérubé, J. P.; Bernier, M.; Skripachev, I.; Vallée, R.; Messaddeq, Y.; Opt. Expr. 2012, 20, 2824. DOI: http://dx.doi.org/10.1364/OE.20.002824

80. Messaddeq, S. H.; Vallée, R.; Soucy, P.; Bernier, M. El-Amraoui, M.; Messaddeq, Y.; Opt. Expr. 2012, 20, 29882. DOI: http://dx.doi.org/10.1364/OE.20.029882

81. Zhang, Q. M.; Lin, H.; Jia, B. H.; Xu, L. X.; Gu, M.; Opt. Expr. 2010, 18, 6885. DOI: http://dx.doi.org/10.1364/OE.18.000187

82. Juodkazis, S.; Misawa, H.; Louchev, O. A.; Kitamura, K.; Nanotechnology 2006, 17, 4802. DOI: http://dx.doi.org/10.1088/0957-4484/17/19/003

83. Liao, Y.; Shen, Y.; Qiao, L.; Chen, D.; Cheng, Ya.; Koji S.; Midorikawa, K.; Opt Lett. 2013, 38, 187. DOI: http://dx.doi.org/10.1364/OL.38.000187 PMID: 23454957

84. Zorba,V.; Stratakis, E.; Barberoglou, M.; Spanakis, E.; Tzanetakis, P.; Fotakis, C.; Appl. Phys. A: Mater. Sci. Process. 2008, 93, 819. DOI: http://dx.doi.org/10.1007/s00339-008-4757-y

85. Barberoglou, M.; Zorba, V.; Stratakis, E.; Spanakis, E.; Tzanetakis, P.; Anastasiadis, S.; Fotakis, C.; Appl. Surf. Sci. 2009, 255, 5425. DOI: http://dx.doi.org/10.1016/j.apsusc.2008.07.130

86. Zorba, V.; Persano, P. D.; Athanassiou, L. A.; Stratakis, E.; Cingolani, R.; Tzanetakis, P.; Fotakis, C.; Nanotechnology 2006, 17, 3234. DOI: http://dx.doi.org/10.1088/0957-4484/17/13/026

87. Yoon, T. O.; Shin, H. J.; Jeoung, S. C.; Park, Y. I.; Opt. Expr. 2008, 16, 12715. DOI: http://dx.doi.org/10.1364/OE.16.012715

88. Sorokina, I.; Vodopyanov, K.; Solid-State Mid-Infrared Laser Sources, Springer, 2003.

89. Mirov, S.; Fedorov, V.; Moskalev, I.; Martyshkin, D.; Kim, C.; Laser Photonics Rev. 2010, 4, 21. DOI: http://dx.doi.org/10.1002/lpor.201000507

90. Schliesser, A.; Picque, N.; Hansch, T. W.; Nat. Photonics 2012, 6, 440. DOI: http://dx.doi.org/10.1038/nphoton.2012.142

91. Ebrahim-Zadeh, S. I.; Mid-Infrared Coherent Sources and Applications, Springer-Verlag: Berlin-Heidelberg, 2005.

92. Jackson, S. D.; Nat. Photonics 2012, 6, 423. DOI: http://dx.doi.org/10.1038/nphoton.2012.149

93. www.laserfocusworld.com/articles/print/volume-50/issue-05/features/mid-ir-lasers-power-and-pulse-capability-ramp-up-for-mid-ir-lasers.html. acessada em Maio 2015

94. Gao, W.; El-Amraoui, M.; Liao, M.; Kawashima, H.; Duan, Z.; Deng, D.; Cheng, T.; Suzuki, T.; Messaddeq, Y.; Ohishi, Y.; Opt. Expr. 2013, 21, 9573. DOI: http://dx.doi.org/10.1364/OE.21.009573

95. El-Amraoui, M.; Gadret, G.; Jules, J. C.; Fatome, J.; Fortier, C.; Desevedavy, F.; Skripatchev, I.; Messaddeq, Y.; Troles, J.; Brilland, L.; Gao, W.; Suzuki, T.; Ohishi, Y.; Smektala, F.; Opt. Expr. 2010, 18, 26655. DOI: http://dx.doi.org/10.1364/OE.18.026655

96. El-Amraoui, M.; Fatome, J.; Jules, J. C.; Kibler, B.; Gadret, G.; Fortier, C.; Smektala, F.; Skripatchev, I.; Polacchini, C. F.; Messaddeq, Y.; Troles, J.; Brilland, L.; Szpulak, M.; Renversez, G.; Opt. Expr. 2010, 18, 4547. DOI: http://dx.doi.org/10.1364/OE.18.004547

97. Petersen, C. R.; Moller, U.; Kubat, I.; Zhou, B.; Dupont, S.; Ramsay, J.; Benson, T.; Sujecki, S.; Abdel-Monein, N.; Tang, Z.; Furniss, D.; Seddon, A.; Bang, O.; Nat. Photonics 2014, 8, 830. DOI: http://dx.doi.org/10.1038/nphoton.2014.213

98. Shaw, L. B.; Cole, B.; Thielen, P. A.; Sanghera, J. S.; Aggarwal, I. D.; IEEE J. Quant. Electr. 2001, 37, 1127. DOI: http://dx.doi.org/10.1109/3.945317

99. Seddon, A. B.; Tang, Z.; Furniss, D.; Sujecki, S.; Benson, T. M.; Opt. Expr. 2010, 18, 26704. DOI: http://dx.doi.org/10.1364/OE.18.026704

100. Shin, Y. B.; Heo, J.; Kim, H. S.; J. Mat. Res. 2001, 16, 1318. DOI: http://dx.doi.org/10.1557/JMR.2001.0184

101. Wei, K.; Machewirth, D. P.; Wenzel, J.; Snitzer, E.; Sigel, G. H.; Opt. Lett. 1994, 19, 904. DOI: http://dx.doi.org/10.1364/OL.19.000904 PMID: 19844483

102. Wei, K.; Machewirth, D. P.; Wenzel, J.; Snitzer, E.; Sigel, G. H.; J. Non-Cryst. Sol. 1995, 182, 257. DOI: http://dx.doi.org/10.1016/0022-3093(94)00513-3

103. Song, J. H.; Heo, J.; Park, S. H.; J. Appl. Phys. 2005, 97, 6.

104. Lee, T. H.; Heo, J.; J. Appl. Phys. 2005, 98, 113510. DOI: http://dx.doi.org/10.1063/1.2138374

105. Adam, J. L.; Zhang, X. H.; Chalcogenide glasses, preparation, properties and applications, Woodhead Publishing: Oxford, 2014.

106. Park, B. J.; Seo, H. S.; Ahn, J. T.; Choi, Y. G.; Heo, J.; Chung, W. J.; J. Ceram. Soc. Jap. 2008, 116, 1087. DOI: http://dx.doi.org/10.2109/jcersj2.116.1087

107. Park, B. J.; Seo, H. S.; Ahn, J. T.; Choi, Y. G.; Jeon, D. Y.; Chung, W. J.; J Lumin. 2008, 128, 1617. DOI: http://dx.doi.org/10.1016/j.jlumin.2008.03.011

108. Sanghera, J. S.; Shaw, L. B.; Aggarwal, I. D.; IEEE J. Sel. Top. in Quant. Electr. 2009, 15, 114. DOI: http://dx.doi.org/10.1109/JSTQE.2008.2010245

109. Ye, C. C.; Hewak, D. W.; Hempstead, M.; Samson, B. N.; Payne, D. N.; J. Non-Cryst. Sol. 1996, 208, 56. DOI: http://dx.doi.org/10.1016/S0022-3093(96)00203-7

110. Schweizer, T.; Hewak, D. W.; Samson, B. N.; Payne, D. N.; Opt. Lett. 1996, 21, 1594. DOI: http://dx.doi.org/10.1364/OL.21.001594 PMID: 19881736

111. Schweizer, T.; Hewak, D. W.; Payne, D. N.; Jensen, T.; Huber, G.; Electr. Lett. 1996, 32, 666. DOI: http://dx.doi.org/10.1049/el:19960430

112. Hughes, M. A.; Akada, T.; Suzuki, T.; Ohishi, Y.; Hewak, D. W.; Opt. Expr. 2009, 17, 19345. DOI: http://dx.doi.org/10.1364/OE.17.019345

113. Plotnichenko, V. G.; Philippovskiy, D. V.; Sokolov, V. O.; Sukhanov, M. V.; Velmuzhov, A. P.; Churbanov, M. F.; Dianov E. M.; Opt. Mat. Expr. 2014, 4, 366. DOI: http://dx.doi.org/10.1364/OME.4.000366

114. Mironov, R. A.; Karaksina, E. V.; Zabezhailov, A. O.; Shapashnikov, R. M.; Churbanov, M. F.; Dianov, E. M.; Quant. Electr. 2010, 40, 828. DOI: http://dx.doi.org/10.1070/QE2010v040n09ABEH014408

115. Mirov, S.; Fedorov, V.; Moskalev, I.; Mirov, M.; Martyshkin, D.; J. Lumin. 2013, 133, 268. DOI: http://dx.doi.org/10.1016/j.jlumin.2011.09.040

116. Karaksina, E. V.; Ketkova, L. A.; Churbanov, M. F.; Dianov, E. M.; Inorg. Mat. 2013, 49, 223. DOI: http://dx.doi.org/10.1134/S0020168513030072

On-line version ISSN 1678-7064 Printed version ISSN 0100-4042
Qu�mica Nova
Publica��es da Sociedade Brasileira de Qu�mica
Caixa Postal: 26037 05513-970 S�o Paulo - SP
Tel/Fax: +55.11.3032.2299/+55.11.3814.3602
Free access

GN1